В данной статье мы рассмотрим основные этапы и схемы подключения частотного преобразовател к электродвигателю, а также важные советы по выбору и безопасности при эксплуатации этих устройств.
Современные преобразователи частоты для электродвигателей – многофункциональные электротехнические устройства, позволяющие регулировать скорость вращения ротора, момент силы на валу двигателя, а также обеспечивающие защиту от перегрева, кратковременных перегрузок, резкого изменения величины регулируемой характеристики, а также сочетающие в себе другие функции. При помощи этих устройств возможно подключать трехфазный двигатель в однофазную сеть без фазосдвигающего элемента, что позволяет избежать значительной потери мощности и перегрева обмоток.
Частотные регуляторы комплектуются дополнительным пультом для управления, который располагают на рабочем месте оператора. Большинство преобразователей частоты поддерживают распространенные протоколы обмена данными, их можно встраивать в комплексные АСУ ТП (Автоматизированная система управления технологическим процессом).
От правильно выбранного места монтажа частотного преобразователя, а также соблюдения всех правил ТБ (техника безопасности) и требований производителя напрямую зависит работоспособность электропривода.

Подготовка к подключению
Перед подключением частотного преобраователя необходимо удостовериться, что модель устройства соответствует проектной, и все характеристики частотного регулятора совпадают с параметрами электродвигателя. Также напряжение в питающей сети не должно быть ниже или выше номинального напряжения частотника. Далее выбирают место для размещения преобразователя. Оно должно удовлетворять следующим условиям:
- Класс защиты корпуса от влаги и пыли должен соответствовать месторасположению частотного регулятора. Большинство устройств имеют исполнение IP20 и предназначены для монтажа частотного преобразователя в помещениях с низкой влажностью, вентилируемых электротехнических шкафах автоматики, в щитах управления приводом. Частотники IP54 и IP65 можно устанавливать на открытых местах рядом с двигателями. Это правило касается также внешних пультов управления, которыми комплектуются частотные преобразователи многих производителей.
- При монтаже в шкафах требуется обеспечить необходимое расстояние от стенок и между другими частотниками и устройствами автоматики, которые нагреваются в процессе работы. Величина расстояния зависит от мощности электротехнических устройств. Мощность вентиляторов должна соответствовать количеству частотных преобразователей и других электротехнических устройств и аппаратов, размещенных в одном шкафу, чтобы обеспечить достаточный отвод тепла.
- Частотный регулятор устанавливают на достаточном расстоянии от источников мощного электромагнитного поля, сильных вибраций. При невозможности соблюдения этого условия, устройства устанавливают в экранирующих шкафах на виброгасящих опорах. Устройство монтируют на ровной поверхности из негорючего материала, в месте, где исключено воздействие прямых солнечных лучей.
- Климатическое исполнение частотника также должно соответствовать интервалу температур, высоте над уровнем моря, влажности и другим условиям эксплуатации.

Подключение частотного преобразователя
Перед установкой и выполнением подключений нужно тщательно изучить инструкцию производителя. При выполнении этих работ необходимо также следовать нормам электробезопасности и ПУЭ (Правила устройства электроустановок).
- Сечение кабелей для подключения выбирают, исходя из номинального тока двигателя и преобразователя. Обычно оно указывается в инструкции. Рекомендуется выбирать максимально возможное сечение.
- Для защиты от коротких замыканий используют предохранители и автоматические выключатели. Выбор аппаратов защиты делается по стандартной методике. При подключении преобразователя автоматические выключатели устанавливают в разрыв фазных проводов.
- Входные и выходные силовые провода прокладывают отдельно. Также необходимо предусмотреть отдельную укладку контрольного управляющего кабеля.
- Для защиты от электромагнитных помех необходимо использовать экранированные кабели цепей управления. При использовании неэкранированных проводов при длине токоведущей линии больше 50 м требуются специальные фильтры. Некоторые модели частотников имеют встроенную защиту от наводок.
- Для сглаживания высших гармоник и бросков напряжения в силовых цепях допустимо устанавливать во входной силовой цепи дроссели и фильтры ВЧ. Подключение конденсаторов не допускается.
- При монтаже частотного преобразователя выжно сделатьего заземление, оно выполняется проводом с медной жилой, сечением, указанным в паспорте преобразователя, оно должно быть не меньше сечения жил питающего силового кабеля. Присоединение к заземляющему контуру осуществляется напрямую. Нельзя применять нулевой проводник в качестве заземления.
- Соединение обмоток двигателя звезда или треугольник выбирается, исходя из номинального напряжения частотного регулятора. Значения напряжения при разных способах соединения обмоток электродвигателя указаны в технической документации или на корпусе электрической машины. Двигатели с 2-мя скоростями с фазным ротором включают на одну скорость.
- Все подключения выполняют в строгом соответствии с инструкцией производителя частотного преобразователя. При наличии вентиляторов для принудительного воздушного охлаждения электрических машин, электромагнитных и резистивных тормозов, коммутирующих аппаратов, их также подключают к соответствующим управляющим клеммам преобразователя. Запрещается использовать частотный преобразователь как блок питания для мощных элементов электропривода. Присоединение датчиков обратной связи по температуре, нагрузке, скорости вращения вала также осуществляется согласно инструкции и общим требованиям.

Схема подключения трехфазного частотника 380В
Трехфазные частотные преобразователи применяют для управления двигателями в сетях с соответствующим количеством фаз. Самая простая схема – без внешних цепей управления.

По такой схеме подключают простое оборудование без автоматического регулирования скорости вращения и без входных и выходных фильтров. Пуск и остановка, задание скорости осуществляются на панели преобразователя частоты. Между сетью и клеммами R, S, T включают автоматический выключатель или предохранители общего назначения с плавкими вставками типа gG. Чтобы избежать повторного запуска двигателя после кратковременного пропадания напряжения во входную цепь также включают контактор.
Номинальный ток аппаратов защиты и коммутации выбирают по мощности преобразователя частоты. Таблица выбора представлена в инструкции по эксплуатации.
|
Мощность ПЧ, Вт. |
Ток контактора, А |
Ток автоматического выключателя, А |
Ток предохранителя (тип gG), А |
|---|---|---|---|
| 0,75 | 10 | 10 | 10 |
| 1,5 | 10 | 10 | 10 |
| 2,2 | 16 | 16 | 16 |
| 4 | 16 | 20 | 20 |
| 5,5 | 25 | 25 А | 25 |
| 7,5 | 25 | 30 | 25 |
| 11 | 32 | 40 | 50 |
| 15 | 40 | 50 | 50 |
| 18,5 | 50 | 63 | 65 |
| 22 | 50 | 75 | 65 |
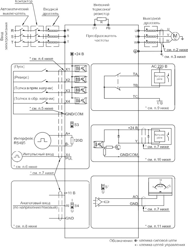
Питающие фазы L1, L2, L3 со стороны сети подключают к клеммам ПЧ R, S, T соответственно.
Выходные клеммы частного преобразователя U, V, W подключаются кабелем с жилами требуемого сечения к клеммам двигателя U1, V1, W1. Заземляющий зажим корпуса электродвигателя подключают к клемме PE.
Схема с тормозным резистором, пуском от внешнего выключателя и регулировкой частоты вращения от внешнего потенциометра также распространена в промышленном электроприводе.

Силовая часть подключается стандартным способом: входные клеммы R, S, T подключаются к фазам L1,L2,L3 через контактор и автоматический выключатель (предохранители). Выходы ПЧ U, V и W присоединяют к выводам электродвигателя U1, V1, W1.
Тормозной резистор для рассеивания мощности при ограниченном времени остановки подключают к клеммам «+» и РВ. Выключатель для пуска и остановки электродвигателя – к выводам GND ( для преобразователей частоты 7,5–22 кВт – к разъему СOM) и Х1. Клеммы потенциометра – к общей точке вывода GND, клемме 10V, регулирующий контакт сопротивления – к выводу AI.
Одна из базовых схем подключения трехфазного преобразователя частоты – ПИД регулирование для поддержания давления с обратной связью.

Силовые клеммы присоединяют стандартным образом, внешний включатель – к выводам/выводам GND (СOM) и Х1. Датчик давления присоединяют к клемме 24 В и аналоговому входу АI (перед подключением нужно перевести его в токовый режим). Уставку регулятора задаются с панели управления преобразователя частоты.
Для задания нескольких фиксированных значений скорости используют многоскоростную схему подключения ПЧ.

Выключатели, каждый из которых соответствуют предустановленной скорости, задаваемой в настройках, подключают к общей точке ввода GND(COM ) ПЧ и клеммам Х1, Х2, Х3,Х4. Силовые цепи подключат стандартно.
В ряде случаев для снижения уровня внешних гармоник на входе преобразователя частоты устанавливают входные фильтры и выходные устройства для улучшения качества напряжения с ПЧ.
Входной дроссель подключают между контактором и преобразователем частоты. Выходной фильтр – между ПЧ и двигателем.

Современные преобразователи частоты VEDA позволяют реализовать схему подключения с внешними устройствами торможения, задания одной или нескольких фиксированных скоростей двигателя в прямом и обратном направлении, ПИД управлением.
Байпасирование частотного преобразователя
В приводе оборудования, остановка которого во время технологического процесса не допускается, используется схема подключения преобразователя частоты с байпасом. Устройство включают параллельно ПЧ.

При нормальной работе преобразователя частоты контакты КM1 и КМ2 замкнуты, КМ3 разомкнут ПЧ включен в цепь. При неисправностях устройства частного управления КM1 и КМ2 размыкаются, КМ3 замыкается, ток начинает течь в обход ПЧ, электродвигатель подключатся к сети напрямую.
Важно учитывать, что категорически запрещается разрывать контакты КМ1 и КМ2 или замыкать КМ3 во время работы преобразователя частоты. Такие действия приводят к резкому обрыву тока на выходе ПЧ и могут вызвать повреждение силовых ключей инвертора. Перед переключением на байпас необходимо предварительно подать на ПЧ команду останова с выбегом, чтобы двигатель плавно снизил скорость и прекратилось протекание тока через выходные каскады преобразователя.
Различают ручные и автоматические байпасы. В первом случае при поломке или отказе преобразователя частоты загорается сигнальная лампа или срабатывает звуковое устройство оповещения. Оператор переводит двигатель на питание напрямую от сети нажатием кнопки пускателя. Во втором случае при исчезновении напряжения на выходе ПЧ байпас включается автоматически.
Первый пуск
- Перед подачей напряжения на частотный преобразователь необходимо убедиться, что на устройстве отключена подача команд на двигатель, а запуск электрической машины никому не повредит.
- При подключении питания должны заработать встроенные в частотник вентиляторы охлаждения и загореться дисплей. На нем должно отображаться состояние “выключено” или “OFF”.
- Далее требуется восстановить заводские настройки частотного регулятора. Для этого используется ввод соответствующей команды или нажатие клавиши Reset. Некоторые модели преобразователей затем следует перезагрузить.
- Далее вводят все характеристики двигателя, фильтров и других вспомогательных элементов привода и осуществляют программирование частоты вращения, параметров регулирования и другие настройки. Некоторые модели частотников определяют фактические характеристики электродвигателей автоматически.
- Далее осуществляется пробный пуск привода в ручном режиме. При этом проверяют правильность направления вращения вала и работу двигателя во всем интервале регулируемых скоростей. При необходимости вносят корректировки в предварительные настройки.
- После чего производят окончательную настройку частотных преобразователей под регулируемый параметр и условия технологического процесса. Настройка преобразователей осуществляется с панели управления или с ПК. Эти операции должен производить специалист по автоматизации.
- Далее опробуют привод в тестовом режиме и вносят изменения в настройки, после чего проверяют корректность работы привода еще раз.
Функционал, схема подключения, порядок настройки разных типов и моделей частотных регуляторов могут существенно различаться. При выполнении монтажа и программирования частотников необходимо строго следовать общим правилам по монтажу электротехнического оборудования, инструкции и алгоритму настроек, рекомендованному производителем. Вносить изменения в ПО (программное обеспечение) и схемы подключения категорически запрещено.
Внимание! Фактические характеристики электродвигателей, долго находившихся в эксплуатации или побывавших в капитальном ремонте, могут отличаться от паспортных данных. Для частотно-регулируемого привода рекомендуется использовать новые электрические машины или частотные преобразователи, определяющие фактические параметры электродвигателей автоматически.

Техника безопасности
При подключении частотного преобразователя и настройке привода обязательно соблюдать ряд общих требований:
- Все подключения необходимо выполнять при полностью отключенном напряжении питания. Перед их выполнением необходимо проверить, что автоматический выключатель или другой коммутирующий аппарат на вводе отключен.
- В схеме питания и управления электродвигателем имеются индуктивные и емкостные элементы, которые способствуют сохранению напряжения в цепях привода после отключения питания. При монтаже и настройке преобразователей привода до 7 кВт необходимо подождать не менее 5 минут после отключения напряжения питания, для электрооборудования более 7 кВт время ожидания составляет не меньше 15 минут.
- Преобразователь должен иметь индивидуальный заземляющий проводник, присоединенный к корпусу и к заземляющему контуру напрямую.
- Нулевой и заземляющий провод должны быть присоединены к соответствующим шинам. Использовать для заземления нулевой проводник строго запрещается.
- Долговременное отключение частотно-регулируемого привода должно осуществляться контактором или автоматическим выключателем, установленным перед частотным преобразователем. Нажатие клавиши “OFF” отключает двигатель, но не обесточивает электрические цепи.
- Все электрические соединения выполняются проводами и кабелями, рекомендованного производителем сечения. Нельзя применять токопроводящие изделия с меньшим диаметром жил.
- Нельзя подключать частотники по непредусмотренной производителем схеме. При некорректной работе преобразователя следует связаться со службой технической поддержки производителя или вызвать профильного специалиста.
Большинство моделей частотных регуляторов поддерживают множество режимов работы и настроек. Их можно адаптировать для использования в различных промышленных установках, комплексных системах автоматизации. Например, для синхронизации и одновременного регулирования производительности нагнетательных вентиляторов котельных, вытяжных установок систем удаления продуктов сгорания.
Монтаж, подключение частотного преобразователя, его тестирование и программирование должно выполняться специалистами, имеющими допуск к электрооборудованию, профильное образование и прошедшими инструктаж по ТБ.



.png)

.png)





.png)

.png)






.png)
