Устройства плавного пуска (софтстартеры) предназначены для безударного старта и остановки, защиты от аварий и ненормальных режимов работы промышленного электропривода. УПП ограничивают ток при старте, продлевают срок службы двигателя и подключенных к нему механизмов, уменьшают нагрузку на электросеть. Область применения софтстартеров – приводы вентиляторов, насосов, компрессоров, конвейеров, дробилок и другого оборудования и технологических установок.
УПП работают как регулятор напряжения, плавный запуск и остановка обеспечивается изменением проводимости тиристорных или симисторных ключей.
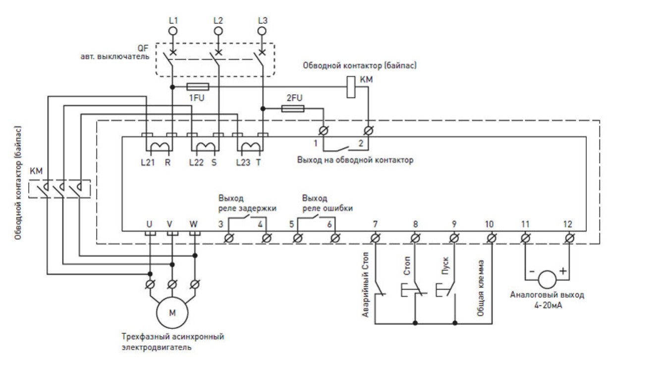
Схемы электропривода с УПП содержат байпасную (обходную) цепь, которая включается и отключатся встроенными или внешним коммутирующим электроаппаратом. Рассмотрим, для чего нужны шунтирующие контакторы в приводах с устройствами плавного пуска.
Что такое байпас в электрике и как работает шунтирующий контактор
Байпас – участок, параллельный определенному сегменту электрической цепи. Обход широко используют в схемах подключения стабилизаторов напряжения, источников бесперебойного электропитания, устройств плавного пуска.
Шунтирующий(байпасный) контактор – это коммутирующий аппарат, который включает или выключает электрическую цепь в обход УПП.

Работа схемы с байпасом осуществляется следующим образом. При пуске и разгоне двигателя обходная цепь разомкнута, ток протекает по пути «сеть – софтстартер – двигатель». После достижения номинальной частоты вращения вала УПП вырабатывает сигнал на включение контактора. При этом на катушку контактора подается напряжение, силовые контакты замыкаются. Ток начинает протекать по цепи с наименьшим сопротивлением «сеть – байпас – электродвигатель», минуя устройство плавного пуска.
При остановке привода с УПП поступает сигнал в схему управления, с катушек коммутирующего контактора снимается напряжение. Силовые контакты размыкаются, ток начинает течь через электронные ключи УПП.
Таким образом, пуск, разгон, торможение и остановка двигателя осуществляется при подаче регулируемого напряжения с устройства плавного пуска. При номинальной скорости вала электродвигатель работает напрямую от сети.
Для чего предназначен Шунтирующий(байпасный) контактор
Устройство плавного пуска задействовано только при запуске и остановке электропривода. При отсутствии байпаса в остальное время УПП остается в пассивном режиме, при этом ток течет через силовые ключи УПП. Включение обходной цепи при номинальной скорости электродвигателя позволяют снять нагрузку с полупроводников.
Это:
- Снижает нагрев УПП. Вывод устройства из электрической цепи после старта и разгона привода позволяет снизить требования к охлаждению полупроводниковых приборов: устанавливать радиаторы, вентиляторы меньшей площади и мощности и т.д.
- Экономит электроэнергию. Сопротивление силовых полупроводниковых ключей в открытом состоянии не равно нулю и несколько выше, чем у жил проводов. Байпас исключает потери мощности на симисторах и тиристорах большую часть времени работы привода.
- Продлевает срок службы силовой части устройства плавного пуска. Постоянный нагрев существенно уменьшает рабочий ресурс полупроводников, кроме того, даже кратковременное превышение температуры часто приводит к пробою.
Таким образом байпасный контактор повышает кпд устройства плавного пуска, снижает продолжительность нагрева и уменьшает износ полупроводниковых элементов.
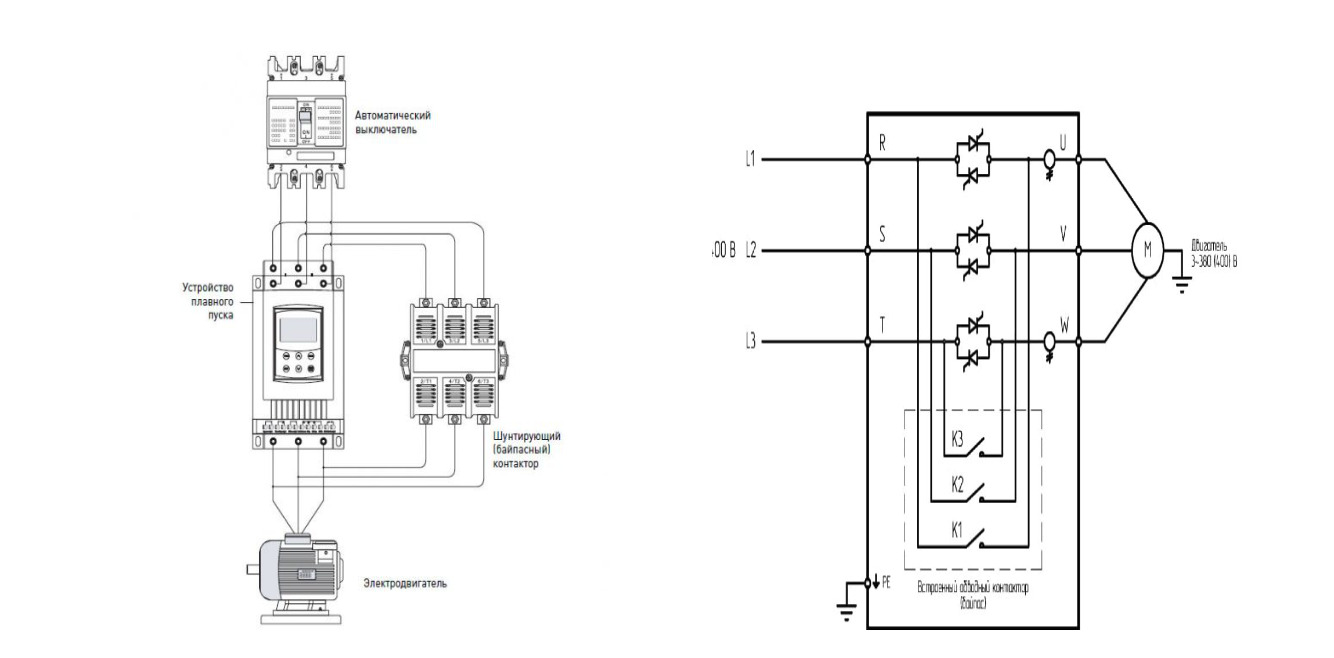
Встроенные и внешние байпасы устройств плавного пуска
Различают устройства плавного пуска с интегрированными и внешними контакторами. В первом случае коммутационные контакторы встроены непосредственно в УПП, во втором – устройство имеет выходы для подключения катушек внешних контакторов.
Софтстартеры со встроенными коммутирующими аппаратами не требуют дополнительных элементов в схеме, проще в монтаже. К недостаткам относят ограниченную мощность привода и относительно высокую стоимость.
Главные достоинства устройств плавного пуска с выводами для внешних контакторов – значительная мощность и относительно низкая цена.

Самые распространенные технические решения УПП:
- С встроенным контактором с двумя фазами. Регулирование напряжения в таких устройствах осуществляется по двум фазам, третья – подключена напрямую к двигателю. Область применения таких софтстартеров – электроприводы малой и средней мощности с нормальными и средними условиями пуска.
- С внешними коммутационными электроаппаратами на три фазы. Управление пуском и остановкой осуществляется изменением напряжения по всем трем фазам. Такие решения обычно применяют для высоковольтных электроприводов и для низковольтных двигателей высокой мощности с тяжелыми условиями пуска.
- С встроенными контакторами на 3 фазы. Регулирование напряжения при старте и остановке также осуществляется по всем фазам. Область применения таких УПП – мощные приводы со средним и тяжелым пуском.
Заключение
Таким образом, байпасный контактор – это аппарат для шунтирования устройства плавного пуска при достижении номинальной скорости двигателя. Такое решение позволяет увеличить срок службы УПП, уменьшить потери мощности на силовых ключах.
Выпускают софтстартеры со встроенными и внешними контакторами. Первые отличает простой монтаж, компактность, вторые – возможность применения в мощных и высоковольтных приводах.



.png)

.png)





.png)

.png)






.png)
