Автоматизация систем водоснабжения снижает расходы на эксплуатацию насосного оборудования и водопроводной сети, оптимизирует водопотребление, позволяет уменьшить объем накопительных баков. Регулирование водоподачи осуществляется по давлению и уровню. В отопительных системах также используется схема с обратной связью по температуре теплоносителя или воздуха в помещении.
Релейные схемы автоматизации
До появления частотных преобразователей в качестве устройства управления использовались релейные блоки.

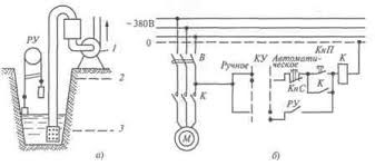
Простейшая схема регулирования по уровню построена на базе магнитного пускателя и поплавкового реле. При увеличении уровня, контакты реле замыкаются, катушка магнитного пускателя оказывается под напряжением. Электродвигатель насосного агрегата запускается. При снижении уровня жидкости, реле размыкает управляющую цепь магнитного пускателя.

Такая схема обеспечивает ручное и автоматическое включение насосов, каскадный способ управления, индикацию режимов работы, остановку насосных агрегатов при пропадании перекачиваемой жидкости.
В нормальном режиме работает основной насосный агрегат. При снижении давления при пиках водопотребления или остановке основного насоса, срабатывает реле давления, включающее резервный насос с выдержкой времени. При необходимости включение и выключение насосов можно осуществлять в ручном режиме. Релейные схемы управления относительно просты и дешевы, однако, обладают следующими недостатками:
- Дополнительная нагрузка на электрическую сеть. Запуск электродвигателей осуществляется на полном напряжении сети. Ток при этом взрастает в несколько раз.
- Невозможность плавного изменения производительности. Регулирование давления в сети осуществляется включением резервного насоса. Ступенчатое изменение давления не всегда удовлетворяет условиям техпроцесса.
- Необходимость регулярного ремонта, технического обслуживания. Схемы такого типа содержат большое количество электроаппаратов и элементов автоматики. При частых коммутациях, контакты и механические части аппаратов быстро приходят в негодность.
- Высокая нагрузка на трубопровод. При прямом пуске насосов резко увеличивается вероятность гидравлических ударов. При их возникновении повреждается запорно-регулирующая арматура, трубы и другие элементы системы водоснабжения.
Для ограничения пусковых токов и плавного разгона электродвигателей в релейных схемах часто устанавливают устройства плавного пуска. Однако, эти устройства не обеспечивают плавное изменение подачи. Для этого на трубопровод устанавливают регулирующую арматуру, что приводит к потерям давления и снижает общий к.п.д. системы водоснабжения.
Функции систем управления насосным оборудованием на базе частотных преобразователей
Для автоматизации работы насосных станций все чаще и чаще используют схемы на базе частотных преобразователей. Частотное управление лишено недостатков релейных схем. Автоматизированные схемы с преобразователем частоты обеспечивают:
- Защиту приводных электродвигателей от коротких замыканий, обрыва фазы, перегрева, перегрузок, перепадов напряжения.
- Остановку насосных агрегатов при “сухом ходе”, повреждении проточной части и так далее.
- Плавное изменение производительности при снижении или увеличении давления. Частотный преобразователь также может функционировать в режиме регулирования подачи по нескольким параметрам системы водоснабжения или отопления.
- Сигнализацию о неисправностях. При поломках или ненормальных режимах работы элементов системы водоподачи, на экран выводится сообщение о неисправности. Во многих моделях частотников предусмотрена подача об авариях сигнала по “сухим контактам” и отправка сообщения по поддерживаемым протоколам проводной и беспроводной связи на удаленные диспетчерские пункты.
Частотные преобразователи используются как для автоматизации простых автономных систем водоснабжения, так и мощных станций с большим количеством насосов.
Пример работы схем на базе частотного преобразователя
Принципиальная схема управления циркуляционными насосными агрегатами на базе преобразователей частоты с обратной связью по давлению и температуре позволяет экономить до 30% тепловой энергии.
При увеличении температуры теплоносителя или падении давления в сети, сигнал с аналогового датчика температуры поступает на частотный преобразователь, который плавно увеличивает частоту напряжения в цепи питания электродвигателя. Скорость вращения ротора увеличивается, производительность насоса возрастает. При необходимости в работу включается резервный насос. По достижении заданной температуры, подача насоса возвращается к запрограммированной величине. Схема также обеспечивает попеременную работу насосных агрегатов, остановку двигателей при авариях, включение резервного насоса при аварийной остановке основного, запрет на запуск неисправного насоса до устранения поломки, а также индикацию режимов работы.
Для увеличения экономического эффекта в отопительных системах используют преобразователи частоты с функцией АОЕ или автоматической оптимизации энергопотребления. При этом электродвигатель поддерживает энергопотребление соответственно требуемой производительности насосного агрегата. Частотные преобразователи с такой функцией выпускает компания Danfoss, всемирно известный производитель электрооборудования и элементов автоматики.

Принцип работы простейшей схемы регулирования с обратной связью по давлению
Частотные преобразователи применяются также для небольших систем водоснабжения, отопления и ГВС. Плавное регулирование напора и производительности насоса обеспечивает постоянное давление в сети, отсутствие перепадов температуры горячей воды при открытии и закрытии дополнительных кранов, поддержание микроклимата в помещении.
При пуске насоса через частотный преобразователь, на электродвигатель подается напряжение небольшой частоты, которая увеличивается согласно запрограммированным значениям. Это обеспечивает плавное нарастание давления в системе и снижает вероятность гидравлических ударов.
При увеличении водопотребления, давление в системе падает. Сигнал с датчика давления подается на частотный преобразователь, который увеличивает частоту питающего напряжения электрического двигателя. Производительность насоса плавно увеличивается, пока давление в системе не достигнет заданного значения. При снижении потребления воды, частота напряжения в питающей цепи снижается, обороты насосного агрегата падают.
При помощи частотных преобразователей также можно реализовать систему каскадного автоматического управления двумя и более насосами. Такие схемы используются в сетях с высокими пиковыми нагрузками, где максимальная производительность одного насоса не обеспечивает компенсацию потерь давления. В этих случаях частотный преобразователь обеспечивает плавный ввод дополнительных агрегатов и равномерное распределение нагрузки между работающими насосами.

Преимущества применения частотных преобразователей в схемах автоматизации насосов
- Системы водоснабжения не требуют компенсационных емкостей для гашения гидравлических ударов. Запуск и отключение насосных агрегатов осуществляется плавно, что исключает резкие скачки давления. В системах отопления и автономного водоснабжения все же рекомендуется установить расширительные баки мембранного типа. Это оборудование позволит избежать последствий гидроударов и увеличения давления при авариях и температурном расширении теплоносителя.
- Комфортная температура горячей воды и теплоносителя в отопительной системе. В отличие от релейных схем управления, частотное регулирования позволяет избежать скачков температуры воды независимо от ее расхода.
- Защита арматуры, трубопровода, котла от гидроударов. При прямом пуске электродвигателя, резко меняется скорость потока в трубопроводе. Возникает гидравлический удар, который может повредить гидроавтоматику, котел и другие элементы системы. Ликвидация последствий гидроудара может обойтись в сотни тысяч рублей.
- Защита электродвигателя насоса от аварий и аномальных режимов работы. При несимметричной нагрузке, изменении напряжения в сети, коротких замыканиях, перегреве обмоток, частотный преобразователь осуществляет аварийную остановку электродвигателя.
- Возможность удаленного управления. Danfoss выпускает преобразователи частоты, поддерживающие все распространенные протоколы обмена данными. Управление можно осуществлять с удаленного ПК, при помощи приложений, установленных на смартфоны или планшеты. Преобразователи для промышленных систем водоподачи можно встраивать в многоуровневые системы АСТП.
- Возможность регулирование напора и производительности насосных агрегатов по одному или нескольким характеристикам. Частотные преобразователи можно запрограммировать на регулировку по расходу, давлению, температуре, уровню, напору, а также по двум и более параметрам.

Выбор частотного регулятора для насосов
Выбор частотных преобразователей для насосного оборудования делается по следующим критериям:
- Типу приводного электродвигателя. Число фаз и тип электродвигателя должны соответствовать параметрам частотного. Для привода насосных агрегатов применяются синхронные и асинхронные одно- или трехфазные электрические машины.
- Интервалу регулируемых частот. Каждому значению частоты питающего напряжения соответствует определенная скорость вращения электродвигателя и производительность насоса. Эта характеристика частотного преобразователя должна отвечать параметрам сети водоподачи.
- Току, напряжению и мощности. Номинальные электрические характеристики электродвигателя и преобразователя частоты должны совпадать. Рекомендуемый запас мощности частника – 15-20%.
- По числу аналоговых и релейных входов. В зависимости от числа датчиков, необходимо подобрать частотный преобразователь с соответствующим количеством входов.
- По функциям. Частотный преобразователь может совмещать функции устройства плавного пуска, ПИД-регулятора, устройств защиты. Функционал устройства выбирают в соответствии с требованиями к системе отопления и водоснабжения.
Использование частотных преобразователей снижает потери давления, оптимизирует потребление воды и электроэнергии, а также снижает вероятность аварий. Их применение дает значительный экономический и технический эффект, особенно заметный на примере крупных систем подачи тепла и водоснабжения.



.png)

.png)





.png)

.png)






.png)
